一、设备图片


二、设备组成
整条生产线集合了校平、送料/冲孔、成型、切断等多项技术于一体的生产设备。
整条生产线由放料系统、冲孔系统、成型系统、切断系统、电控系统等部分组成。
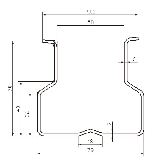
三、产品图



四、技术参数:
序号
NO.
项目
Item
单位
Unit
参数
Parameter
备注
Remark
1
适用
原材
料
Material
类型
Type
低碳钢、镀锌板等
galvanized sheet,mild steel,etc,
板材强度Strength of material sheet
Map
≥350
板材厚度
Thickness of material sheet
mm
1.2~2.5
可定制
customizable
2
生产规格
Profile sizes
mm
See Figure
3
生产速度
Production speed
m/min
6~8
可定制
customizable
4
辊轮材料
Material of roller
GCr15淬火处理
GCr15 quenching treatment
5
驱动方式
Drive type
齿轮箱传动
Gearbox driven
6
电机总功率
Motor Power
kw
约45
About 45
7
电控系统
Electric control system
PLC变频控制
PLC variable frequency control
8
外形尺寸(长X宽X高)
Dimensions(Length*width*height)
m
35X4X3.9
五、流程示意图
