一、设备图片

二、设备组成
整条生产线集合了放料、伺服定位、冲孔、成型、切断等多项技术于一体的生产设备。
整条生产线由放料系统、伺服定位系统、冲孔系统、成型系统、切断系统、电控系统等部分组成。
三、型材照片

序号
项目
单位
参数
备注
1
适用
原材
料
类型
低碳钢、镀锌板等
板材强度
Map
≥350
板材厚度
mm
3.0~4.0
可定制
2
生产规格
mm
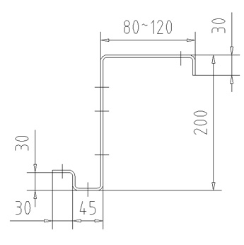
见图
可定制
3
生产速度
m/min
4~6
可定制
4
辊轮材料
GCr15淬火处理
5
驱动方式
齿轮箱
6
电机总功率
kw
约68kw
7
电控系统
PLC变频控制
8
外形尺寸(长X宽X高)
m
35X3X2.5
四、技术参数: